08-11-2025 00:29
Francois Guay
I found this species in Quebec, Canada, on herbace
04-11-2025 09:07
Hello.A suspected Hymenoscyphus sprouting on a thi
04-11-2025 12:43
Edvin Johannesen
Hi! One more found on old Populus tremula log in O
03-11-2025 21:34
Edvin Johannesen
These tiny (0.4-0.5 mm diam.), whitish, short-stip
28-10-2025 15:37
Carl FarmerI'd be grateful for any suggestions for this strik
Hymenoscyphus calyculus?
Zuzana Sochorová (Egertová),
01-10-2025 20:16
Hello,I would appreciate your opinion on this yellow Hymenoscyphus growing on a little twig, maybe of Rubus idaeus.
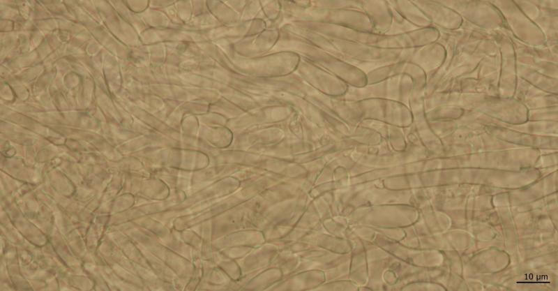
Asci 114-125 x 11-12 µm, H+, bb.
Ascospores (16.6) 17.7-19.2-20.8 (23.1) × (4.2) 4.3-4.7- 5 (5.9) µm, Q = (3.37) 3.70-4.07-4.54 (4.94), without cilita, not septate.
Paraphyses with strongly refractive guttules.
Using Bernard´s key, I have arrived to H. calyculus, but OCl is lower than 5 (but many pictures at the internet also show spores with lower OCl).
Hans-Otto Baral,
01-10-2025 20:58
Re : Hymenoscyphus calyculus?
Hi Zuzana
it is curious that H. calyculus is so rarely recorded, when I began with Helotiales about 50 years ago I thought that it is a common species.
No, the spores here are not really scutuloid. Some of them have a recognizably upper and lower end, but there is no clear asymmetry at the upper apex.
It must be H. epiphyllus.
The stalk here is never higher then wide, while in H. calyculus it can be >5x longer than wide.
Zotto
Zuzana Sochorová (Egertová),
01-10-2025 22:15
Re : Hymenoscyphus calyculus?
Hi Zotto,
thank you very much.
I have ommited Phaeohelotium and went directly to Hymenoscyphus...
Z
thank you very much.
I have ommited Phaeohelotium and went directly to Hymenoscyphus...
Z













